![]() |
||||||||||
![]() |
WÄRMENUTZUNG IN KRAFTWERKEN | |||||||||
| ABWÄRMENUTZUNG IN KRAFTWERKEN DURCH EINSATZ DES SORPTIONSKRAFTPROZESSES 1996 | ||||||||||
|
In einem geschlossenem System kann Energie nicht erzeugt und nicht vernichtet werden (Erster Hauptsatz der Thermodynamik). Eine kontinuierliche und gesicherte Energieversorgung ist von größter Bedeutung für das Funktionieren einer Gemeinschaft und eine entscheidende Voraussetzung für die Weiterentwicklung einer Gesellschaft. Besonders in den industrialisierten Staaten erlangte die Energiewirtschaft eine zentrale Bedeutung. Nicht nur durch den in den vergangenen Jahrzehnten stark gestiegenen Energiebedarf ist eine langfristig wachsende Bedeutung der Energiewirtschaft erkennbar, sondern auch die hiermit verbundenen Aufgaben wie kostengünstige Energieversorgung und rationelle Energienutzung. Die Energieversorgung basiert weltweit auf recht unterschiedlichem Niveau. Unterschiede bestehen eindeutig zwischen den westlichen Ländern und den Entwicklungsländern in Afrika und Südostasien. Diese Staaten verfügen nur über geringe Energiemengen im Gegensatz zu den westlichen Industrienationen. Untersuchungen zum Zusammenhang zwischen dem spezifischen Energieverbrauch und dem Bruttosozialprodukt lassen trotz aller methodischer Unsicherheiten in der Erfassung gewisse Korrelationen zwischen beiden Größen erkennen. Bemerkenswert hierbei ist die zunehmende Lebenserwartung der Menschen mit ansteigendem Bruttosozialprodukt. Der notwendige Lebensstandard setzt jedoch wiederum eine entsprechende Energieversorgung voraus. Energie wird entsprechend des jeweiligen Zustandes in Primär-, Sekundär-, End- oder Nutzenergie eingeteilt. Unterschieden wird zwischen Primär-, Sekundär- und Endenergieträgern, aus denen nach entsprechenden Umwandlungsprozessen Nutzenergie gewonnen werden kann. Bei den als Primärenergieträger bezeichneten, in der Natur in ursprünglicher Form vorkommenden Energieträgern wird zwischen regenerierbaren und nicht regenerierbaren unterschieden. Die regenerierbaren Energieträger werden auf natürliche Art ständig erneuert. Die in ihrer ursprünglichen Form durch Umwandlungsprozesse veränderten Primärenergieträger werden als Sekundärenergie bezeichnet. Endenergieträger sind diejenigen, die von Endverbrauchern zur Deckung des Energiebedarfes benötigt werden. Die in den Verbrauchssektoren (Haushalt, Verkehr, Industrie) notwendige Nutzenergie wird aus den Endenergieträgern gewonnen. Im Unterschied zur Nutzenergie ist die Endenergie diejenige Energiemenge, die der Verbraucher bezieht. Nutzenergie steht nach der Umwandlung des Endenergieträgers dem Verbraucher zur Deckung seiner Bedürfnisse zur Verfügung. Zwischen den einzelnen Energieträgern sind verschiedene Umwandlungsprozesse notwendig, die aufgrund der naturgesetzlichen Bedingungen mit Umwandlungsverlusten behaftet sind. Das technische Energiesystem beruht heute zu fast 90% auf der Nutzung der erschöpfbaren Energieträger Erdöl, Erdgas und Kohle. Die Folge des enormen Bevölkerungszuwachses und der zunehmenden Industrialisierung der letzten Jahrzehnte ist am weltweit angestiegenen Energiebedarf erkennbar. Die Anfang der 70er Jahre vom „Club of Rome“ durchgeführten Studien zur Ressourcen- und Reservensituation an Energieträgern und Rohstoffen ließen erstmals die Erschöpfung der Vorräte innerhalb einiger Jahrzehnte erkennen. Unter Energieressourcen werden sämtliche Vorkommen an Energieträgern verstanden. Reserven sind der gegenwärtig entdeckte und wirtschaftlich abbaubare Teil der Ressourcen. Die in der Bundesrepublik Deutschland vorkommenden Primärenergien Stein- und Braunkohle stellen die einzigen bedeutenden Primärenergievorräte dar. Die hauptsächlich in Niedersachsen vorkommenden Erdölreserven (0,1 % der Welterdölreserven) besitzen mit denen an der deutsch-niederländischen Grenze lagernden Erdgasreserven nur einen geringen Stellenwert. Die Reserven des Kernbrennstoffes Uran sind im Gegensatz zu den Weltreserven unbedeutend. Die Energiekrisen der Jahre 1973 und 1979 verdeutlichten die starke Energieabhängigkeit der Industriestaaten. Diese bedeutendsten energiewirtschaftlichen Ereignisse nach 1945 nahmen einen wesentlichen Einfluß auf die wirtschaftliche Entwicklung der einzelnen Industriestaaten. Deutlich wurde die hohe Energieimportabhängigkeit der Bundesrepublik Deutschland. Angesichts der erkennbaren Endlichkeit der erschöpfbaren Energiereserven, des steigenden Energiebedarfes sowie der speziell in der Industrie (angesichts marktwirtschaftlicher Gesichtspunkte) notwendigen ökonomischen Energieanwendung, ist eine wesentlich vollkommenere Ausnutzung der Energien unumgänglich. Rationelle und sparsame Energienutzung ist prinzipiell notwendig aufgrund Ressourcenschonung aufgrund begrenzter Verfügbarkeit nicht regenerierbarer Energieträger, der Verringerung der Energieimporte und des Umweltschutz infolge verringerter Verbrennung fossiler Energieträger und hieraus folgender Senkung der Emissionsmengen. Die mit der Energieversorgung und -umwandlung verbundenen Prozesse und deren Auswirkungen auf die Umwelt (Bodenbelastung durch Ablagerungen, Wasserverunreinigungen, z.B. durch Tankerunfälle, Bergschäden) wurden in zahlreichen Analysen und Studien behandelt und ausgewertet. Die energietechnischen Möglichkeiten einer effektiven Energieausnutzung beruhen im Prinzip auf der Anwendung der Grundtypen Vermeiden eines unnötigen Energieverbrauches, Herabsetzen des spezifischen Nutzenergiebedarfes, Verbesserung der jeweiligen energetischen Nutzungsgrade, Energierückgewinnung und -wandlung sowie der Nutzung erneuerbarer Energiequellen. Der in industriellen Prozessen mögliche Energierückgewinn basiert auf der Nutzung anfallender Abwärme. Im wesentlichen geschieht die Rückgewinnung der Abwärme mittels Wärmeübertrager ohne gezielte Exergiezuführung (in der Regel unter Einsatz von Hilfsenergie); durch gezielte Exergiezufuhr zur Temperaturerhöhung im Sinne der Aufwertung von Abwärme niederer Temperatur in nutzbare „Rückwärme“ (z.B. Wärmepumpe oder Brüdenverdampfung). Die praktische Abwärmenutzung ist abhängig von Art und Dauer des Abwärmeanfalls, Temperaturniveau und Komplexität der Anlage. Zu berücksichtigen sind auch Aspekte hinsichtlich der Umweltverträglichkeit. Die Umwandlung industrieller Abwärme ist möglich in Kälte, Nutzwärme höherer Temperatur, mechanische bzw. elektrische Energie und Kombination der Energiearten. Abwärmenutzung mittels SorptionskraftprozeßAngesichts einer rationelleren Nutzung benötigter Energieträger und eines erheblichen, teilweise nicht genutzten Abwärmepotentials in vielen industriellen Prozessen im Temperaturbereich von etwa 200°C, ergibt sich hier die Frage nach weiterer Ausnutzung dieses Sekundärenergieträgers. Der Einsatz geeigneter Prozesse zur Nutzung anfallender Abwärme hängt ab von der gewünschten Nutzenergie, aber auch von den Abwärmeparametern. Abwärmeträger sind Rauch- und Prozeßgase, Heißwasser und andere Flüssigprodukte. Untersuchungen von Förster zum Einsatz praktisch geeigneter Prozesse weisen u.a. auf Ergebnisse hinsichtlich Einsatzgebiet und Optimierung ausgewählter Kreisprozesse hin. Da elektrische Energie, im Gegensatz beispielsweise zum Wärmebedarf, ganzjährig genutzt wird, ist diese Nutzenergie eine ideale Umwandlungsform der Industrieabwärme. Brauchbare Kraftprozesse zur Erzeugung elektrischer Energie sind nach Förster die Clausius-Rankine-Prozesse mit niedrigsiedendem Arbeitsmittel und die Sorptionskraftprozesse. Clausius-Rankine-Prozesse wurden schon in verschiedenen Anlagen realisiert. Zur Anwendung dieser Kreisprozessewurden zahlreiche Arbeiten veröffentlicht. Der Einsatz von Sorptionskraftprozessen mit unterschiedlichen Arbeitsmitteln wurde schon mehrfach untersucht. Bekannt sind die Prozesse von Koenemann, Vordermayer, Bachl und Stierlin.
Das Arbeitsprinzip des Sorptionskraftprozesses(SKP) beruht auf Desorption und Absorption eines Arbeitsstoffes und eines Lösungsmittels und der anschließenden Entspannung des Arbeitsmittels in einer Turbine. Unter Absorption versteht man die Eigenschaft einer Flüssigkeit - eines Lösungsmittels - gasförmige Stoffe aufzunehmen (zu absorbieren). Desorbieren ist das Austreiben des in der Flüssigkeit gelösten Gases. Sorption ist ein zusammenfassender Begriff für Absorption und Desorption; in der thermischen Verfahrenstechnik zusätzlich für Adsorption und Trocknung fester Stoffe. Die Bezeichnung Sorptionskraftprozeß ist auf Förster zurückzuführen. Im Gegensatz zum Rankine-Kreisprozeß wird die Verdampfung ersetzt durch eine Desorptionsstufe, bei der das Arbeitsmittel freigesetzt wird. Die entspannten Dämpfe werden statt einer Verflüssigungsstufe nach der Turbine absorbiert. Der Sorptionskraftprozeß ist in seinen Grundzügen mit einer Absorptionskälteanlage (AKA) vergleichbar. Das im Desorber aus dem Sorptionskreislauf ausgetriebene Arbeitsmittel gelangt zur Entspannung in eine Turbine. Im Gegensatz zum Absorptionskälteprozeß wird nach dem Desorberaustritt dem freigesetzten Dampf Wärme zugeführt (Überhitzung). Durch die daraus folgende Entropiezunahme und anschließende Entspannung entsteht ein rechtsläufiger Kreisprozeß. Bei der Absorptionskälteanlage wird die im Dampf enthaltene Wärme abgeführt (Kondensation) und so die Entropie vermindert - es kommt zum Linkskreisprozeß. Nach der Entspannung in der Turbine wird das umlaufende Arbeitsmittel in einen Absorber geleitet und somit dem thermischen Verdichter wieder zugeführt. Die Darstellung eines Sorptionskraftprozesses im üblichen T,s-Diagramm ist nur beschränkt möglich. Es läßt sich nur der Prozeßabschnitt darstellen, in welchem das reine Arbeitsmittel vorkommt. Im entspannten Zustand wird das Arbeits- bzw. Kältemittel im Verdichter durch ein umlaufendes Absorptionsmittel aufgenommen. Bestrebungen, in das T,s-Diagramm die Konzentration x, Enthalpie h und Druck p aufzunehmen, verbesserten kaum die Anschaulichkeit des Prozesses. Die Darstellung eines geschlossenen Kreislaufes bleibt anfechtbar, da der Arbeitsmittelkreislauf zwar ein geschlossener Kreisprozeß ist, sich aber durch den thermischen Verdichter einige Singularitäten ergeben, welche auf die sich ändernden Stoffströme beim Absorbieren und Austreten des Arbeitsmittels aus dem Lösungskreislauf zurückzuführen sind. Die Darstellung des Prozeßablaufes geschieht zweckmäßigerweise in einem h,x-Diagramm. Erste qualitative Voruntersuchungen zum Prozeßverhalten sind mit dem lgp,1/T-Diagramm möglich. Geeignet ist diese Diagramm zur Festlegung von Prozeßtemperaturen und -drücken. Verschiedene Untersuchungen zur Entspannung absorbierbarer Dämpfe in Sorptionskraftprozessen ergaben einen möglichen Enddruck; mit einer Temperatur unterhalb der Kühlwassertemperatur. Die abzuführende Wärme wird im Gegensatz zum herkömmlichen Rechtskreisprozeß nicht unmittelbar dem Dampf entzogen, sondern dem flüssigen Absorptionsmittel. Aufgrund der Vermischung des Arbeitsmittels mit dem schwerer siedenden Absorptionsmittel erfolgt eine Erwärmung dieses Gemisches über die Kühlwassertemperatur hinaus. Die Entspannung des Arbeitsmittels unter die Umgebungs- bzw. Kühlwassertemperatur ist charakteristisch für den Sorptionskraftprozeß. Den hohen Anforderungen der Praxis werden diese Prozesse mit den von Förster genannten Eigenschaften gerecht: Sorptionskraftprozesse zeichnen sich dadurch aus, daß sie aufgrund des thermischen Verdichters - gleich einer Absorptionskälteanlage - fähig sind, Kälte ständig oder teilweise - bei entsprechender Herabsetzung der Elektroenergieerzeugung - zu erzeugen. Die mögliche Auskopplung von Heizwärme (durch Teillastfahrweise des SKP), z.B. für die Fernwärmeversorgung von Wohngebieten während der Heizperiode, ist ein weiterer Anwendungsaspekt dieses Prozesses.
|
![]() |
|||||||||
![]() |
||||||||||
![]() |
||||||||||
![]() |
||||||||||
|
HKW Eisenach
Die ENAG/ Maingas Energieanlagen GmbH ist im Bereich der Energieumwandlung sowie der Energie- und Medienverteilung tätig. Das neu gebaute Gasturbinen-Heizkraftwerk „Wiesengrund“ in Eisenach ist für die Versorgung des dort ansässigen Opel-Werkes und angrenzender Verbraucher mit Prozeß-, Raumwärme und mit elektrischer Energie verantwortlich. Durch den Einsatz moderner Maschinentechnik wird ein optimaler Einsatz der genutzten Energieträger Erdgas und Erdöl erreicht. Eine mögliche Steigerung der Effizienz der Anlage ist dem noch nicht genutzten Abwärmebereich vorenthalten. Eine sinnvolle Anwendung der Abwärme liegt u.a. im Einsatz als Wärmeträger in dem von Förster vorgeschlagenen Sorptionskraftprozeß. |
||||||||||
![]() |
||||||||||
![]() |
||||||||||
|
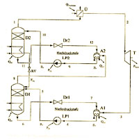
Der zweistufige ...
... Sorptionskraftprozess bewirkt die Erhöhung des Druckniveaus am Desorberaustritt und damit die Erhöhung des Temperaturbereiches. |
||||||||||
![]() |
||||||||||
|
Studienskizze
"Sorptionskraftprozesse zeichnen sich dadurch aus, daß sie aufgrund des thermischen Verdichters - gleich einer Absorptionskälteanlage - fähig sind, Kälte ständig oder teilweise - bei entsprechender Herabsetzung der Elektroenergieerzeugung - zu erzeugen." |
||||||||||
![]() |
||||||||||
|
Das h, xi Diagramm für ...
... Wasser-Ammoniak-Gemische nach Merkel und Bosnjakovic werden für Prozesse im Niedrigtemperaturbereich benötigt. Die Forschungsstudien der Wissenschaftler aus den 1970er Jahren wurden an der Technischen Universität Dresden, Lehrgebiet Kältetechnik durchgeführt. |
||||||||||
![]() |
||||||||||
|
Offenlegungsschrift
Die Frage der Patente und Rechtsverletzungen in den Spähren der Ingenieurswissenschaften beschäftigen immer wieder zahllose Rechtsanwälte. Die genaue Recherche vor dem einsatz neuer Technologien wird daher immer mehr zur Gretchenfrage. |
||||||||||